bonded oil sealing washer hydraulic bonded seal for pipe fittings

Bonded Oil Sealing Washer

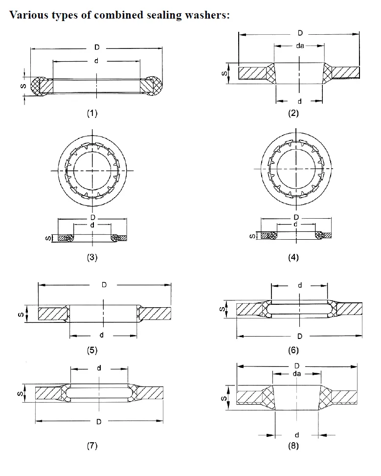
Bonded seal are suitable for oil-based pipeline systems, providing seal for pressure systems including welding, ferrule joints, expansion pipe joints, screw plugs and mechanical devices, to prevent leakage of oil, fuel, water and medicine. Due to its simple structure, high sealing effects and low price, bonded seals are widely used in machinery manufacturing.

 

The following are the detailed dimension table we provide for boned oil sealing washer. More various dimensions and information are avaliable on our catalog.

bonded seal structure diagram application and material specifications

different types of bonded seal dimension drawings

bonded seal standard size chart for hydraulic sealing washers

JB982-77 bonded seal dimension size chart

bonded seal dimension drawing and size chart for hydraulic sealing washer